数字万用表的使用:
1、概述:
(1)采用数字化测量技术
将被测电量转化成电压信号,并以数字形式加以显示。显示结果一目了然,克服了模拟式(即指针式)万用表人为的测量误差(例如视差)。
(2)显示位数及显示特点
判断数字仪表位数有两条原则:
第一,能够显示从0~9所有数字的位是整数位;
第二,分数位的数字是以最大显示值中最高位的数字为分子,而用满量程时最高位的数字作分母。
例:某数字仪表的最大显示值是±1999(最高位的数字为1),满量程计数值为2000(最高位的数字为2)。根据上述原则很容易判定,该数字仪表是由3个整数位(个、十、百位)和一个1/2位(千位,它只能显示0或1)构成的,统称为“3 ½位”读作三位半。
(3)准确度高
数字万用表的准确度是测量结果中系统误差和随机误差的综合,它表示测量结果与真值的一致程度,也反映出测量误差的大小。
准确度有两种表达式,分别如下:
准确度=±(a﹪RDG+b ﹪FS);准确度=±(a﹪RDG+ n个字)。
RDG为读数值(即显示值),FS表示满度值。括弧内前一项代表A/D转换器和功能转换器的综合误差,后一项是由于数字化处理而带来的误差。对于某块数字万用表而言,a值与选择的测量项目及量程有关,b值则基本是固定的,通常要求b≤a/2。
2、数字万用表的使用要点

(1)使用之前,应熟悉电源开关、功能及转换开关、输入插孔、专用插口(例如晶体管插口hFE,电容器插座CAP或Cx)等。
(2)刚开始测量时仪表会出现跳数现象,应等待显示值稳定之后再去测量。
(3)尽量避免操作上的误动作,如用电流挡去测电压,用电阻去测电压或电流,用电容挡去测带电的电容器等,以免损坏仪表。
(4)在事先无法估计被测电压(或电流)的大小时,应先拨至最高量程试测一次,再根据情况选择合适的量程。
(5)某些数字万用表具有自动关机功能。使用中如果发现突然消隐,说明电源已被切断,仪表进入“休眠”状态。只要重新启动电源,即可恢复正常。
(6)测量完毕,先将量程开关拨至最高电压挡,再关闭电源防止下次开始测量时不慎损坏仪表。
(7)若万用表最高位显示数字“1”,其他位消隐,证明仪表已发生过载,应选择更高的量程。
(8)当输入电流超过200mA时,应将红表笔改接至“ 20 A”插孔,该孔一般未加保护装置,因此测量大电流时间不得超过10 ~15s,以免锰铜分流电阻发热后改变电阻值,影响读数的准确性。
(9)测量电阻、二极管、检查线路通断时,红表笔应接V •Ω插孔,此时红表笔带正电,黑表笔接COM插孔带负电,这与模拟表的电阻挡恰好相反。检测二极管、晶体管、发光二极管(LED)、电解电容器等有极性的元器件时,必须注意表笔的极性。
(10)用200Ω电阻挡测量电阻时,应先将两支表笔短路,测出两根表笔引线的电阻值,一般为0.1~0.3Ω。每次测量完毕需把测量结果减去此值,才是实际电阻值。

电子元器件的识别与测试:
1、电阻器件识别和测量:
电阻:分固定电阻和可变电阻
(1)固定电阻:文字符号:R;
图形符号:

单位:Ω(1kΩ=1000Ω)
① 种类:RT:碳膜电;RJ:金属膜电阻;RX:线绕电阻。
② 阻值识别:直标法;色标法。

直标法:把重要参数值直接标在电阻体表面。

文字符号表示法:用文字和符号共同表示其阻值大小。

色标法:
用颜色代表数字:
|
棕 |
红 |
橙 |
黄 |
绿 |
蓝 |
紫 |
灰 |
白 |
黑 |
|
1 |
2 |
3 |
4 |
5 |
6 |
7 |
8 |
9 |
0 |
四环电阻:前2环代表有效数,第3环为零的个数,第4环为参数的允许偏差。

用金、银、棕表示参数允许误差:±5%、±10%、±1%。
五环电阻:前3环代表有效数,第4环为零的个数,第5环为参数误差值。

表示参数允许误差:
棕:±1% ;红:±2%;绿:±0.5%;蓝:±0.25%;紫:±0.1%。
电阻额定功率值识别:
除了较大体积的电阻直接标注功率外,其它的电阻几乎都不标注额定功率值。
电阻的额定功率值主要取决于它的电阻体材料、几何尺寸和散热面积,同类型电阻可采用尺寸比较法来识别其额定功率。

电阻值相对误差的计算:
绝对误差(△)= 测量值(Ax)–标称阻值(A0)
相对误差(r)=绝对误差(△)/标称阻值(A0)×100%
(2)可变电阻:
文字符号:R;图形符号;

电容器:电容器简称电容,由两个导体及它们之间的介质组成。利用电容器充、放电和隔直、通交特性,在电路中常用于调谐、滤波、耦合、旁路、能量转换等。电容器用符号C表示。
1、电容器的分类:
(1)按结构分:
固定电容器:电容量不能改变。
半可变电容器(微调电容器):容量可以在较小范围内变化。适用于整机调整后电容量不需经常改变的场合。
可变电容器:电容量在一定范围内调节。适用于一些需要经常调整的电路中。
(2)按电容器材料分:
电解电容器。
有机介质电容器:包括纸介电容器、塑料薄膜电容器等。
无机介质电容器:包括瓷介电容器、云母电容器、玻璃釉电容器等。
2、电容器的型号命名:
电容器的产品型号一般由四部分组成:
第一部分:主称,用字母C表示电容器;
第二部分:电容器介质材料,用字母表示。
第三部分:分类,一般用数字表示,个别用字母表示。
第四部分:序号,用数字表示。
常见电容器符号:

3、电容器的参数
(1)标称容量:标志在电容器上的“名义”电容器。
(2)允许误差:实际电容量对于标称电容量的最大允许偏差范围。
Ⅰ级为±5%;Ⅱ级为±10%;Ⅲ级为±20%。
(3)额定工作电压:电容器在规定的工作范围内,长期可靠地工作所能承受的最高直流电压。
4、电容器的判别与测试
(1)识别方法
①直标法:电容器电容量数值等参数直接标在电容器表面。

②数码法
标在电容器表面上的是三位整数,其中第一、二位分别表示容量的有效数字,第三位数字表示容量的有效数字加零的个数。
数码法表示电容量时,单位一律是pF。

注意:当第三个数字是9时是个特例。如:

“229”表示容量不是22×109pF,而是22×10-1pF(2.2pF)。
③文字符号法
将容量的整数部分写在容量单位标志的前面,小数部分放在容量符号标志的后面。

④色标法
原则上与电阻器色标法相同,其单位为pF。小型电解电容器的工作电压可以用正极根部色点来表示,其规则为:
|
颜色 |
橙 |
黄 |
绿 |
蓝 |
紫 |
灰 |
白 |
黑 |
金 |
|
工作电压/V |
4 |
6.3 |
10 |
16 |
25 |
32 |
42 |
50 |
63 |
(2)电容器的检测
电容器的主要故障是:击穿、短路、漏电、容量减小、变质及破损等。
①电容器漏电阻测试
用模拟表欧姆档,将表笔接触电容的两引线。刚搭上时,表头指针将发生摆动,然后再逐渐返回电阻为无穷大处,这就是电容的充放电现象。
②电解电容器的极性检测
电解电容器的极性是不允许接错的。
当极性无法辨认时,可根据正向连接时漏电电阻大,反向连接时漏电电阻小的特点来判断。交换表笔前后两次测量漏电电阻值,测出电阻值大的一次时,黑表笔接触的是正极。
指针的摆动越大,容量越大指针稳定后所指示的值就是漏电电阻值。其值一般为几十到几百兆欧,阻值越大,电容器的绝缘性能越好。
检测时,如果表头指针指到或靠近欧姆零点,说明电容器内部短路;若指针不动,说明电容器内部开路或失效。
③用数字万用表检测电容器充放电现象
将数字万用表拨至适当的电阻档档位,万用表表笔分别接在被测电容C的两引脚上,这时屏幕显示值从“000”开始逐渐增加,直至屏幕显示“1”。
然后将两表笔交换后再测,显示屏上瞬间显示出数据后立刻变为“1”,此时为电容器放电后再反向充电,证明电容器充放电正常。
④电容器容量测试
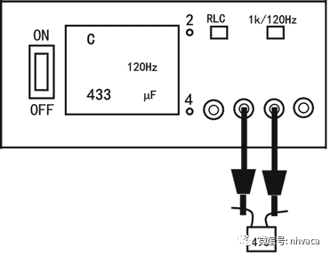
数字万用表可测试20μF以下的电容。大于20μF的电容可用RLC测试仪测量。

(2)按用途分
普通二极管:包括检波、整流、开关、稳压二极管。
特殊二极管:包括变容、光电、发光二极管。

2、二极管的型号命名
二极管的型号由五部分组成。
第一部分:用数字“2”表示二极管;用数字“3”表示三极管;
第二部分:材料和极性,用字母表示;
第三部分:类型,用字母表示;
第四部分:序号,用数字表示;
第五部分:规格,用字母表示。
3、主要技术参数
最大整流电流IF:二极管允许通过的最大正向平均电流。
最高反向电压URM:反向加在二极管两端,而不致引起PN结击穿的最大电压。
最大反向电流IRM:由栽流子的漂移作用,二极管截止时仍有反向电流流过PN结。IRM越小,二极管质量越好。
最高工作频率:保证二极管单向导电作用的最高工作频率。
4、二极管的识别与检测
(1)极性识别

(2)检测方法
①单向导电性的检测
用万用表欧姆档测量二极管的正、反向电阻。


②二极管正、反压降的测量
将数字万用表拨至二极管档(
)。


③发光二极管测量
其正、反向压降与普通二极管的测试方法一致。
发光二极管的发光检测。将转换开关拨至“hFE”处,然后将发光二极管的长(+)脚插入“NPN”的C孔中,短(-)脚插入e孔中,管子发光为正常。若不发光,则说明 管脚插反或管子已坏。

1、分类
(1)按材料分:锗三极管和硅三极管。
(2)按导电类型分:可分为PNP型和NPN型。锗三极管多为PNP型,硅三极管多为NPN型。
(3)按用途分:
依工作频率:fT>3MHz为高频;fT<3MHz为低频。
依工作功率:Pc>1W为大功率;Pc在0.5~1W为中功率;Pc< 0.5 W为小功率。

2、主要参数
表征三极管特性的参数大致可分为三类。
(1)直流参数;
(2)交流参数;
(3)极限参数。
3、三极管的判别与检测
(1)三极管极性的识别
对于小功率三极管来说,有金属外壳和塑料外壳封装两种。

(2)三极管的检测方法
① 判别基极和三极管的类型

②判别集电极C和发射极E
利用数字万用表hFE档可测出三极管的集电极C和发射极E。
将项目、量程开关拨至“HFE”,此时红、黑两表笔不起作用,根据三极管的类型将三极管的e、b、c的三个脚插入e、b、c三个孔中,若屏幕显示大于一百以上,则说明管子插入正确,若显示只有几十则说明管子引脚插错了孔,需重新测试。

③测量三极管正、反向压降
根据以上测试可判别出三极管e、b、c三个极,此时可进行三极管正、反向压降的测量,其方法与二极管的正、反向压降的测试方法一致。
其它器件的测量:
1、拨动开关的测试
将数值万用表转换开关拨至200Ω或蜂鸣器档位,用万用表表笔分别接在开关不同的引脚上,检测开关相连接的两个触点之间的导通电阻及不相通的绝缘电阻。
(1)单刀三掷(1D3W)

(2)双刀双掷(2D2W)

2、十字插头线的测试

3、电源插头线的测试

4、电源变压器的测试
初级绕组(红)的电阻为1.4KΩ左右;
次级绕组(绿)的电阻为3Ω左右。

本文来源于互联网,暖通南社整理编辑于2020年3月9日。
免责声明:本文来源于百度搜索公开渠道,文章转载时已注明作者及出处,若因网络上无法查找到作者的,一般情况下标注来源于互联网,标注作者的文章或已付费至文章下载处,如:百度文库。出于对作者的尊重,我们仍然欢迎出于交流目的源文作者前来认领,并支付一定的稿费,联系电话:13301898699。一切出于恶意形为的版权纠纷,将直接转到本公司法律顾问处理。
上海南社法律顾问:邹高飞律师,执业证号:13101201110497026,手机:13816872966。
索取本课件原件,请实名加QQ:1125552185(注明来意)。
欢迎您加入暖通南社学习交流互动社区:
|
QQ群群号 |
主要功能 |
目前人数 |
|
161153868 |
暖通空调专业设计与技术人员交流 |
930人 |
|
118657164 |
吸收行业小微企业主 |
136人 |
|
31767498 |
热泵烘干及工艺制冷专群(整合中) |
150人 |
|
495282609 |
吸纳全国各院校专业教职工作人员为主 |
刚建立 |
|
194045991 |
主要以吸收南方工程技术人员 |
267人 |
|
189417984 |
机电、暖通空调设备市场开发交流群 |
105人 |
|
365552966 |
建筑机电安装综合交流群 |
108人 |
|
235204658 |
以注考为主的群 |
266人 |
|
145754593 |
以加暖通施工人员为主的群 |
233人 |
|
338391569 |
专为求职人员与招聘单位设立的群 |
450人 |
|
168494112 |
以洁净空调和各特色专业设立的群,先加QQ号:396876467。 |
|
|
142762628 |
暖通制冷空调部件技术与销售专群 |
289人 |
|
171780399 |
南社唯一允许自由广告的推广群 |
340人 |
|
170823423 |
兼顾建筑机电综合技术交流群 |
904人 |
|
492479546 |
BIM专业交流群 |
404人 |
|
303891401 |
以暖通空调自控、家居系统集成为主的群 |
260人 |
|
167899477 |
吸收以北方工程技术人员为主的群 |
309人 |
|
245084393 |
以注册挂靠为主的群(整合中) |
301人 |
|
其他各QQ群请百度:“暖通南社QQ群”查找。本QQ群所有群均为实名加群,加群请注明:“地区-姓名-专业”方能加群成功,每个人最多可加两个群,恶意加群者拉黑。 所有群现在实行更替制,即新加人同时踢出最后一个发言的人。 加各地区微信群,请注明:“地区-姓名-专业”加微信号:1114325507。 高级专业技术人员可加QQ:13301898699,可获取南社认可的“南社工程专业技术人员俱乐部”证书。另特开设热泵微信群。 推广及商务合作,请加QQ:13301898699或微信号:1114325507。 |
||
本次更新信息:2017年1月18日。微信公众号:nhvaca
加我个人微信号:1114325507,拉你进暖通南社各片区和专业微信群。
更多相关课件,请点击下列标题↓↓↓
→机组设计中电子膨胀阀的选择(节选)
→常用元器件原理及接线方法
→空调自控系统中常用器件

本篇文章来源于微信公众号: 暖通南社 喜欢可以搜索关注!