力矩马达,是一种具有旋转运动功能的电-机械转换器;
力矩马达和力马达在阀中的作用:将电控制信号转换成转角(力矩马达)或直线(力马达)位移,用来作为液压放大器的输入信号。

根据滑阀控制边数(起控制作用的阀口数)的不同,有单边控制、双边控制和四边控制三种类型滑阀。
1.单边滑阀
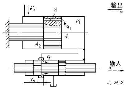
滑阀控制边的开口量Xs控制着液压缸右腔的压力和流量,从而控制液压缸运动的速度和方向。来自泵的压力油进入单杆液压缸的有杆腔,通过活塞上小孔a进入无杆腔,压力由Ps降为P1,再通过控制滑阀唯一的节流边流回油箱。
在液压缸不受外载作用的条件下,P1A1=PSA2。当阀芯根据输入信号向左移动时,开口量Xs增大,无杆腔压力减小,于是P1A1<PSA2,缸体向左移动。因为缸体和阀体连接成一个整体,故阀体左移又使开口量Xs减小(负反馈),直至平衡。
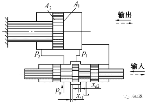
在双边滑阀的结构中,压力油一路直接进入液压缸有杆腔,另一路经滑阀左控制边的开口Xs1和液压缸无杆腔相通,并经滑阀右控制边的开口Xs2流回油箱。
当滑阀向左移动时,Xs1减小,Xs2增大,液压缸无杆腔压力P1减小,两腔受力不平衡,缸体向左移动。反之缸体向右移动;双边控制滑阀比单边控制滑阀的调节灵敏度高、工作精度高。
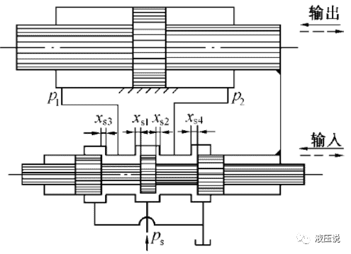
四边滑阀有四个控制边,开口Xs1、Xs2分别控制进入液压缸两腔的压力油,开口Xs3、Xs4分别控制液压缸两腔的回油。
四边控制滑阀的工作原理
当滑阀向左移动时,液压缸左腔的进油口Xs1减小,回油口Xs3增大,使P1迅速减小;与此同时,液压缸右腔的进油口Xs2增大,回油口Xs4减小,使P2迅速增大。这样就使活塞迅速左移。与双边控制滑阀相比,四边控制滑阀同时控制液压缸两腔的压力和流量,故调节灵敏度高,工作精度也高。
单边、双边和四边控制滑阀的控制作用是相同的,均起到换向和调节的作用。控制边数越多,控制质量越好,但其结构工艺性差。

在通常情况下,四边控制滑阀多用于精度要求较高的系统;单边、双边控制滑阀用于一般精度系统。
四边滑阀在初始平衡的状态下,其开口有三种形式,即负开口(Xs<0)、零开口(Xs=0)和正开口(Xs>0),如下图所示。
滑阀的三种开口形式
具有零开口的控制滑阀,其工作精度最高;负开口控制滑阀有较大的不灵敏区,较少采用;具有正开口的控制滑阀,工作精度较负开口高,但功率损耗大,稳定性也差。
射流管阀由射流管1和接收板2组成。射流管可绕O轴左右摆动一个不大的角度,接收板上有两个并列的接收孔a、b,它们分别与液压缸两腔相通。压力油从管道进入射流管后从锥形喷嘴射出,经接收孔进入液压缸两腔。
当射流管处于两接收孔的中间位置时,两接收孔内油液的压力相等,液压缸不动。当输入信号使射流管绕O轴向左摆动一小角度时,进入孔b的油液压力就比进入孔a的油液压力大,液压缸向左移动。由于接收板和缸体连结在一起,接收板也向左移动,形成负反馈,当射流管又处于两接受孔中间位置时,液压缸停止运动。
射流管阀的优点是结构简单、动作灵敏、工作可靠。它的缺点是射流管运动部件惯性较大、工作性能较差;射流能量损耗大、效率较低;供油压力过高时易引起振动。这种控制只适用于低压小功率场合。
有单喷嘴和双喷嘴两种,两者的工作原理基本相同。双喷嘴挡板阀主要由挡板1、喷嘴2和3、固定节流小孔4和5等元件组成。挡板和两个喷嘴之间形成两个可变的节流缝隙δ1和δ2。
当挡板处于中间位置时,两缝隙所形成的节流阻力相等,两喷嘴腔内的油液压力相等,即P1=P2,液压缸不动。压力油经孔道4和5、缝隙δ1和δ2流回油箱。
当输入信号使挡板向左偏摆时,可变缝隙δ1关小, δ2开大,P1上升,P2下降,液压缸缸体向左移动。因负反馈作用,当喷嘴跟随缸体移动到挡板两边对称位置时,液压缸停止运动。

喷嘴挡板阀的优点是结构简单、加工方便、运动部件惯性小、反应快、精度和灵敏度高;缺点是能量损耗大、抗污染能力差。喷嘴挡板阀常用作多级放大伺服控制元件中的前置级。
伺服液压系统的设计步骤,值得收藏
液压伺服系统的结构、分类及特点
全球液压密封圈品牌
O型密封圈的选用原则
O型密封圈的密封原理和特点
典型液压回路(一):速度控制回路
液压系统为什么要试压?如何试压?
液压缸出厂检验的项目有哪些?
液压缸常用材质(三)——缸盖、活塞、导向套、连接部件常用材质
液压站为什么要泄压?如何泄压?
本篇文章来源于微信公众号: 液压说 喜欢可以搜索关注!