断路器、接触器、中间继电器、热继电器、按钮、指示灯、万能转换开关和行程开关是电气控制回路中最常见的八种元件,小编以图文并茂的方式介绍常用电气元件的原理及应用,通过了解它们在电气回路中的作用来掌握这些元件平时的运行情况。
1、断路器
低压断路器又称为自动空气开关,可手动开关,又能用来分配电能、不频繁启动异步电机,对电源线、电机等实行保护,当它们发生严重过载、短路或欠压等故障时能自动切断电路。

断路器文字符号为:QF
断路器图形符号为:

2、接触器
接触器由电磁机构和触头系统两部分组成,接触器最常见线圈电压有AC220V、AC380V和DC220V几种。
接触器电磁机构由线圈、动铁心(衔铁)和静铁心组成;接触器触头系统由主触头和辅助触头两部分组成,主触头用于通断主电路,辅助触头用于控制电路中。

接触器文字符号为:KM
接触器图形符号为:

3、热继电器
热继电器是利用电流通过元件所产生的热效应原理而反时限动作的继电器。

热继电器文字符号:FR
热继电器图形符号:

4、中间继电器



中间继电器文字符号:KA
中间继电器图形符号:

5、按钮
在实际应用中通常根据所需要的触头数量、使用的场合及颜色来选择按钮。常用的LA18、LA19、LA20等系列按钮,适用于AC500V、DC440V,额定电流5A,控制功率在AC300W、DC70W的控制回路中。

按钮文字符号:SB
按钮图形符号:


6、指示灯
指示灯的作用:
(1)指示设备的运行或停止状态。
(2)监视控制电器的电源是否正常。
(3)利用红灯监控跳闸回路是否正常,用绿灯监控合闸回路是否正常。

7、转换开关
万能转化开关由操作机构、面板、手柄和数个触头座等部件组成。

万能转换开关文字符号为:SA
万能转换开关图形符号为:

各触头在手柄转到不同档位时的通断状态用黑点表示,有黑点的表示触头闭合,没有黑点的表示表示触头断开。
8、行程开关

行程开关文字符号为:SQ
行程开关图形符号为:

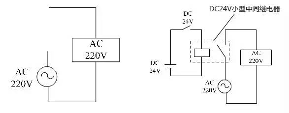
9、电机接触器、控制方式示意图

来源:厂务技术交流
免责声明:以上内容源于网络,版权归原作者所有,如涉及作品版权问题,请您告知我们将及时处理!

一份耕耘,一份收获!

知识星球APP内的文件均支持手机在线阅读及电脑下载,现有洁净室技术、项目管理、生产工艺、标准规范、工程图纸、培训课件、选型样本、行业调研、厂务运维、BIM族库等18500+份文件可供下载学习,涵盖电子半导体、液晶面板、医疗制药、生物制药、医疗器械、食品、化妆品、锂电池、太阳能电池、薄膜新材料、数据中心、生物安全实验室、动物实验室等行业领域,内容覆盖项目规划、设计、采购、施工、调试、运维、节能等应用场景。2023年7月,知识星球VIP迎来了第2700位会员,也期待你的加入!

知识星球VIP会员精品资源
上下滚动查看更多
↓↓扫码加入会员↓↓

加入会员,可下载星球内的18500+份资料!
本篇文章来源于微信公众号: 洁净工程联盟 喜欢可以搜索关注!