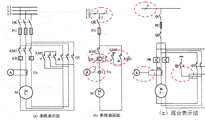
用多线表示法绘制的图,能详细地表达各相或各线的内容,尤其是在各相或各线内容不对称的情况下,宜采用这种方法。
单线表示法适用于三相或多线基本对称的况。对于某些不对称的部分或用单线没有明确表示的部分,在图中应有另外的说明,补充些附加信息。



图线的粗细








本篇文章来源于微信公众号: 电力源动 喜欢可以搜索关注!
© 版权声明
文章版权归作者所有,未经允许请勿转载。
相关文章
暂无评论...
用多线表示法绘制的图,能详细地表达各相或各线的内容,尤其是在各相或各线内容不对称的情况下,宜采用这种方法。
单线表示法适用于三相或多线基本对称的况。对于某些不对称的部分或用单线没有明确表示的部分,在图中应有另外的说明,补充些附加信息。











本篇文章来源于微信公众号: 电力源动 喜欢可以搜索关注!